水质净化
肖先生
手机:13016013265
电话:020-28185170 62730912
传真:020-61914099
电邮:admin@longk.com
gzzwjc@sina.com
手机:13016013265
电话:020-28185170 62730912
传真:020-61914099
电邮:admin@longk.com
gzzwjc@sina.com
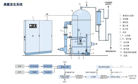
臭氧混合罐
更新时间:2014-08-06 19:40:53
臭氧混合罐

游泳池工程技术具有自身的特点,它需用游泳池专门的技术、专用的设备。
臭氧混合罐

臭氧反应罐,臭氧混合塔,臭氧混合器,臭氧氧化塔,
我公司专业生产臭氧混合塔,臭氧反应罐,臭氧接触混合塔,臭氧混合塔又称氧化塔,臭氧杀菌器是水处理系统中常用的杀菌设备,杀菌的效果不但和水中细菌种类以及数量和臭氧的含量有关,而且和臭氧与水的接触时间与臭氧布气布气头有关,一般来说,臭氧和水接触的时间越长,混合越充分,臭氧杀菌的效果好,布气板气孔越小,臭氧被切割成气泡越小,臭氧与水接触的面积就越大,那么混合的效果就更好,杀菌的效果也就更好。
目前为止几乎为完美的混合方案,在国际上为可口可乐,康师傅等大型饮料企业广泛采用。在臭氧设备不变的情况下,使混合效率得到大幅度的提高。
为了让臭氧和水有充分混合面积和混合时间,这要求我们要有足够的混合空间,一般我们臭氧的混合时间在5-10分钟时间,那么我们就要根据混合时间和流量来设计臭氧混合塔的空间,当臭氧混合塔的空间确定之后,一般为了使臭氧和水成分的对流混合,水上进而臭氧是下进,我们设计进水口和进臭氧的距离在3500mm以上,这样臭氧和水有充分的混合时间和空间,达到最佳杀菌效果。
我公司设计臭氧混合塔一般有304材质和316L材质2中不锈钢材质,布气板选用钛棒布气,钛棒布气布气孔在20um孔径,臭氧能被充分的切割成小气泡,提高了臭氧杀菌器的杀菌器效果。



