水箱及储罐
肖先生
手机:13016013265
电话:020-28185170 62730912
传真:020-61914099
电邮:admin@longk.com
gzzwjc@sina.com
手机:13016013265
电话:020-28185170 62730912
传真:020-61914099
电邮:admin@longk.com
gzzwjc@sina.com
承压式贮水罐
更新时间:2014-07-15 20:37:45
承压式贮水罐

承压式贮水罐 立式贮水罐 卧式贮水罐
承压式贮水罐分类
贮水罐据形状可分为立式贮水罐和卧式贮水罐;据材料可分为碳钢贮水罐和不锈钢贮水罐。


承压式贮水罐适应范围
适用于工业及民用建筑的冷热水压力供水系统。


承压式贮水罐的设计
承压式贮水罐共有3种设计压力(0.25、0.6、1.0MPa),不锈钢采用进口SUS304B不锈钢板制作,不生锈、不生青苔、易清洗;碳钢壳体内外有防腐要求及外保温要求由设计者定。
承压式贮水罐基本参数
a) 设计压力:0.25、0.6、1.0MPa;
b) 介质:水
c) 设计温度:≤75℃;
d) 材料:碳钢、不锈钢(选用碳钢材料时,碳钢壳体内外防腐要求及外保温要求由设计者定);
e) 材料的腐蚀裕量;碳钢:1mm;不锈钢:0mm。
b) 介质:水
c) 设计温度:≤75℃;
d) 材料:碳钢、不锈钢(选用碳钢材料时,碳钢壳体内外防腐要求及外保温要求由设计者定);
e) 材料的腐蚀裕量;碳钢:1mm;不锈钢:0mm。
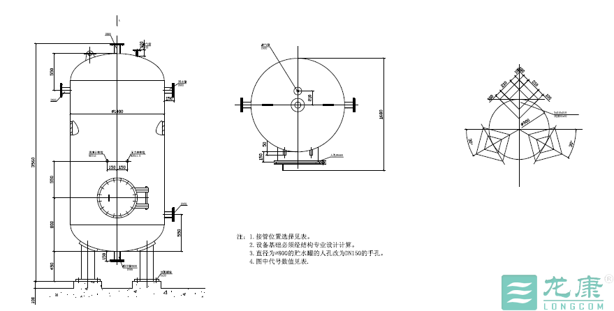
立式贮水罐
1、容积:1.0、2.0、2.5、3.0、4.0、5.0、6.0、8.0、10.0m³(也可根据客户需求制定);
2、型号标记及表示方法: SGL-X-X (SG代表贮水罐、L表示立式、第一个X表示容积m³、第二个X表示设计压力MPa)。
3、立式贮水罐安装图:

4、立式贮水罐安装尺寸(也可根据客户需求制定):
2、型号标记及表示方法: SGL-X-X (SG代表贮水罐、L表示立式、第一个X表示容积m³、第二个X表示设计压力MPa)。
3、立式贮水罐安装图:

4、立式贮水罐安装尺寸(也可根据客户需求制定):
| 立式贮水罐安装尺寸表 | |||||||||||||||||
| 参数 | 设计 压力(MPa) | 容积(m³) | Φ | Φ1 | H | H1 | H2 | H3 | H4 | L | L1 | L2 | D1 | D2 | D3 | B | M |
| 型号 | |||||||||||||||||
| SGL-1.0-0.25 | 0.25 | 1.0 | 800 | 500 | 2860 | 383 | 480 | 2260 | 800 | 1050 | 100 | 180 | 40 | / | 25 | 150 | 16 |
| SGL-1.0-0.6 | 0.6 | ||||||||||||||||
| SGL-1.0-1.0 | 1.0 | ||||||||||||||||
| SGL-2.0-0.25 | 0.25 | 2.0 | 1000 | 630 | 3360 | 433 | 680 | 2760 | 700 | 1250 | 120 | 200 | 50 | 450 | 32 | 160 | 16 |
| SGL-2.0-0.6 | 0.6 | ||||||||||||||||
| SGL-2.0-1.0 | 1.0 | ||||||||||||||||
| SGL-2.5-0.25 | 0.25 | 2.5 | 1200 | 790 | 3060 | 500 | 750 | 2460 | 600 | 1480 | 145 | 200 | 50 | 450 | 32 | 160 | 16 |
| SGL-2.5-0.6 | 0.6 | ||||||||||||||||
| SGL-2.5-1.0 | 1.0 | ||||||||||||||||
| SGL-3.0-0.25 | 0.25 | 3.0 | 1200 | 790 | 3480 | 500 | 750 | 2880 | 600 | 1480 | 145 | 210 | 65 | 450 | 32 | 160 | 16 |
| SGL-3.0-0.6 | 0.6 | ||||||||||||||||
| SGL-3.0-1.0 | 1.0 | ||||||||||||||||
| SGL-4.0-0.25 | 0.25 | 4.0 | 1400 | 900 | 3560 | 550 | 800 | 2960 | 550 | 1680 | 150 | 210 | 65 | 450 | 32 | 160 | 16 |
| SGL-4.0-0.6 | 0.6 | ||||||||||||||||
| SGL-4.0-1.0 | 1.0 | ||||||||||||||||
| SGL-5.0-0.25 | 0.25 | 5.0 | 1600 | 1050 | 3460 | 600 | 850 | 2860 | 500 | 1885 | 150 | 225 | 80 | 450 | 40 | 210 | 20 |
| SGL-5.0-0.6 | 0.6 | ||||||||||||||||
| SGL-5.0-1.0 | 1.0 | ||||||||||||||||
| SGL-6.0-0.25 | 0.25 | 6.0 | 1600 | 1050 | 4060 | 600 | 850 | 3460 | 500 | 1885 | 150 | 225 | 80 | 450 | 40 | 210 | 20 |
| SGL-6.0-0.6 | 0.6 | ||||||||||||||||
| SGL-6.0-1.0 | 1.0 | ||||||||||||||||
| SGL-8.0-0.25 | 0.25 | 8.0 | 1800 | 1150 | 4160 | 655 | 900 | 3560 | 450 | 2085 | 150 | 240 | 100 | 450 | 50 | 250 | 20 |
| SGL-8.0-0.6 | 0.6 | ||||||||||||||||
| SGL-8.0-1.0 | 1.0 | ||||||||||||||||
| SGL-10.0-0.25 | 0.25 | 10.0 | 2000 | 1310 | 4260 | 755 | 950 | 3660 | 450 | 2290 | 150 | 240 | 100 | 450 | 50 | 250 | 20 |
| SGL-10.0-0.6 | 0.6 | ||||||||||||||||
| SGL-10.0-1.0 | 1.0 | ||||||||||||||||
卧式贮水罐
1、容积:0.5、1.0、2.0、3.0、4.0、5.0、6.0、8.0、10.0、12.0、16.0、20.0m³。(也可根据客户制定;)
2、型号标记及表示方法:SGW -X-X(SG代表贮水罐、W表示卧式、第一个X表示容积m³、第二个X表示设计压力MPa);
3、卧式贮水罐安装图:
2、型号标记及表示方法:SGW -X-X(SG代表贮水罐、W表示卧式、第一个X表示容积m³、第二个X表示设计压力MPa);
3、卧式贮水罐安装图:

4、贮水罐安装尺寸(也可根据客户需求制定):
| 卧式贮水罐安装尺寸表 | ||||||||||||||||||||
| 参数 | 设计 压力(MPa) | 容积(m³) | Φ | L | L1 | L2 | L3 | L4 | L5 | H | H1 | H2 | H3 | H4 | K1 | K2 | D1 | D2 | D3 | M |
| 型号 | ||||||||||||||||||||
| SGW-0.5-0.25 | 0.25 | 0.5 | 600 | 2085 | 1960 | 530 | 900 | 310 | 100 | 1050 | 200 | 150 | 240 | 200 | 400 | 700 | 40 | / | 32 | 16 |
| SGW-0.5-0.6 | 0.6 | |||||||||||||||||||
| SGW-0.5-1.0 | 1.0 | |||||||||||||||||||
| SGW-1.0-0.25 | 0.25 | 1.0 | 800 | 2375 | 2260 | 585 | 1090 | 360 | 100 | 1250 | 200 | 200 | 300 | 200 | 530 | 830 | 40 | / | 32 | 16 |
| SGW-1.0-0.6 | 0.6 | |||||||||||||||||||
| SGW-1.0-1.0 | 1.0 | |||||||||||||||||||
| SGW-2.0-0.25 | 0.25 | 2.0 | 900 | 3435 | 3320 | 660 | 2000 | 405 | 120 | 1375 | 200 | 225 | 350 | 200 | 590 | 910 | 50 | 400 | 32 | 16 |
| SGW-2.0-0.6 | 0.6 | |||||||||||||||||||
| SGW-2.0-1.0 | 1.0 | |||||||||||||||||||
| SGW-3.0-0.25 | 0.25 | 3.0 | 1000 | 4110 | 4000 | 685 | 2630 | 430 | 120 | 1475 | 200 | 250 | 400 | 200 | 600 | 900 | 65 | 450 | 40 | 20 |
| SGW-3.0-0.6 | 0.6 | |||||||||||||||||||
| SGW-3.0-1.0 | 1.0 | |||||||||||||||||||
| SGW-4.0-0.25 | 0.25 | 4.0 | 1200 | 3965 | 3860 | 750 | 2360 | 500 | 145 | 1680 | 200 | 300 | 490 | 200 | 720 | 1020 | 65 | 450 | 40 | 20 |
| SGW-4.0-0.6 | 0.6 | |||||||||||||||||||
| SGW-4.0-1.0 | 1.0 | |||||||||||||||||||
| SGW-5.0-0.25 | 0.25 | 5.0 | 1400 | 3655 | 3560 | 800 | 1960 | 550 | 150 | 1880 | 200 | 350 | 580 | 200 | 840 | 1140 | 80 | 450 | 50 | 20 |
| SGW-5.0-0.6 | 0.6 | |||||||||||||||||||
| SGW-5.0-1.0 | 1.0 | |||||||||||||||||||
| SGW-6.0-0.25 | 0.25 | 6.0 | 1600 | 3545 | 3460 | 915 | 1630 | 600 | 150 | 2135 | 250 | 400 | 670 | 300 | 960 | 1260 | 80 | 450 | 40 | 20 |
| SGW-6.0-0.6 | 0.6 | |||||||||||||||||||
| SGW-6.0-1.0 | 1.0 | |||||||||||||||||||
| SGW-8.0-0.25 | 0.25 | 8.0 | 1600 | 4365 | 4280 | 915 | 2450 | 610 | 150 | 2135 | 250 | 400 | 670 | 300 | 960 | 1260 | 100 | 450 | 50 | 20 |
| SGW-8.0-0.6 | 0.6 | |||||||||||||||||||
| SGW-8.0-1.0 | 1.0 | |||||||||||||||||||
| SGW-10.0-0.25 | 0.25 | 10.0 | 1800 | 4440 | 4360 | 1005 | 2350 | 660 | 150 | 2335 | 250 | 450 | 760 | 300 | 1120 | 1420 | 100 | 450 | 50 | 20 |
| SGW-10.0-0.6 | 0.6 | |||||||||||||||||||
| SGW-10.0-1.0 | 1.0 | |||||||||||||||||||
| SGW-12.0-0.25 | 0.25 | 12.0 | 1800 | 5240 | 5160 | 1055 | 3050 | 670 | 150 | 2335 | 250 | 450 | 760 | 300 | 1120 | 1420 | 125 | 450 | 50 | 20 |
| SGW-12.0-0.6 | 0.6 | |||||||||||||||||||
| SGW-12.0-1.0 | 1.0 | |||||||||||||||||||
| SGW-16.0-0.25 | 0.25 | 16.0 | 2000 | 5530 | 5460 | 1155 | 3150 | 735 | 150 | 2540 | 250 | 500 | 850 | 300 | 1260 | 1560 | 150 | 450 | 50 | 20 |
| SGW-16.0-0.6 | 0.6 | |||||||||||||||||||
| SGW-16.0-1.0 | 1.0 | |||||||||||||||||||
| SGW-20.0-0.25 | 0.25 | 20.0 | 2200 | 5825 | 5760 | 1255 | 3250 | 785 | 150 | 2740 | 250 | 550 | 940 | 300 | 1380 | 1680 | 150 | 450 | 50 | 20 |
| SGW-20.0-0.6 | 0.6 | |||||||||||||||||||
| SGW-20.0-1.0 | 1.0 | |||||||||||||||||||
承压水箱工作原理介绍
承压水箱 - 工作原理介绍
承压储水技术主要用于自来水的供水系统中,其原理就是把供水系统中的某一段容积加大,形成一个小的储水单元,这个储水单元在供水正常的情况下只是管道的一部分,有着与供水压力相等的水压。而在供水出现故障(比如水压不足、管道损坏、设备检修等)时,这个储水单元内所储存的水可以为用户继续提供生活生产用水。
承压水箱 - 传统供水模式
传统储水方式最大的弊端在于:(1)水体的保质时间短(2)难以避免储水容器对水的二次污染。承压储水方式属于封闭式储存,在储存过程中水体不与空气接触,空气中的杂质和微生物不会进入到水体中,水体中用于保护水质的添加物如氯离子等也不易挥发,而且水体在储存过程中绝大多数时间是流动的,是“活水”。
承压水箱 - 全自动供水介绍
全自动承压水箱的功能和用途 全自动承压式储水箱有三大功能:
1、应急储供水。可以即时储存管道中的新鲜水流,在供水故障时为用户提供安全用水保障。
2、自动排气。它能随时排除管道内的空气,消除管道水锤音。
3、能吸收管道中因水压变化而产生的冲击能量,处长管道材料与设备的使用寿命。
该产品适用于:预防因水压不足、检修等形成的临时性停水;定时供水地区的生产生活用水储存;
承压水箱 - 对管道系统保护
全自动承压式储水箱的优点 免操作,免维护,免清洗。 性能可靠,省事省心。
安装简单便捷,使用寿命长。
承压储水技术主要用于自来水的供水系统中,其原理就是把供水系统中的某一段容积加大,形成一个小的储水单元,这个储水单元在供水正常的情况下只是管道的一部分,有着与供水压力相等的水压。而在供水出现故障(比如水压不足、管道损坏、设备检修等)时,这个储水单元内所储存的水可以为用户继续提供生活生产用水。
承压水箱 - 传统供水模式
传统储水方式最大的弊端在于:(1)水体的保质时间短(2)难以避免储水容器对水的二次污染。承压储水方式属于封闭式储存,在储存过程中水体不与空气接触,空气中的杂质和微生物不会进入到水体中,水体中用于保护水质的添加物如氯离子等也不易挥发,而且水体在储存过程中绝大多数时间是流动的,是“活水”。
承压水箱 - 全自动供水介绍
全自动承压水箱的功能和用途 全自动承压式储水箱有三大功能:
1、应急储供水。可以即时储存管道中的新鲜水流,在供水故障时为用户提供安全用水保障。
2、自动排气。它能随时排除管道内的空气,消除管道水锤音。
3、能吸收管道中因水压变化而产生的冲击能量,处长管道材料与设备的使用寿命。
该产品适用于:预防因水压不足、检修等形成的临时性停水;定时供水地区的生产生活用水储存;
承压水箱 - 对管道系统保护
全自动承压式储水箱的优点 免操作,免维护,免清洗。 性能可靠,省事省心。
安装简单便捷,使用寿命长。



